1. Introduction
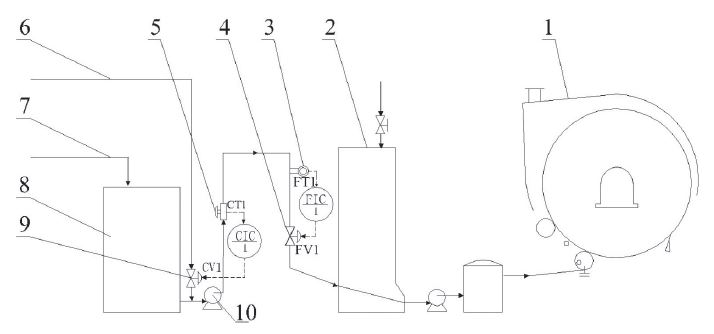
The basis weight includes the machine direction (MD) and cross direction (CD) indicators, and the weight is an important indicator of paper.1) The basis weight of MD is controlled by means of stabilizing the pulp consistency and adjusting the pulp flow precisely by the basis weight control valve.2) The technological process of basis weight is shown in Fig. 1. After pulping, the pulp is sent to a pulp storage tank, and the pulp is diluted with white water through a consistency control loop (CIC1) to make the consistency steady. The valve (CV1) is used to adjust the flow of white water, and the pulp consistency transmitter (CT1) is used to detect the real-time consistency of the pulp. Next, the pulp flow is controlled by the flow control loop (FIC1) to cause a steady flow, the basis weight valve (FV1) is used to adjust the flow of pulp, and the flow transmitter (FT1) is used to detect the real-time flow of pulp to forming a control loop. Further, the pulp is diluted by a white water tank and then sent to the high-speed tissue paper machine to form tissue paper. The basis weight of the tissue paper is fully controlled by the basis weight control valve. Due to the high-speed process (usually greater than 1,000 m/min), the paper is extremely thin, and the basis weight of paper is very low. Therefore, the paper machine is not typically equipped with quality control systems (QCS). This technological process is based on the precision and reliability of the basis weight control valve.

Fig. 1.
Basis weight control technological process of high speed tissue paper machine
(1. High-speed tissue paper machine, 2. White water bucket, 3. Flow-meter, 4. High-precision basis weight control valve, 5. Consistency transmitter, 6. White water, 7. Pulp, 8. Pulp storage, 9. Consistency control valve, 10. Pulp pump).
The basis weight control valve developed by the research group of the author comprised an actuator, a V-type ball valve and a controller.3,4) Fig. 2 illustrates the mechanical structure and control principle. The stepping motor is fitted on a planetary reducer, and the reducer is fixed on a support plate. The ball valve and actuator are bound together with screw bolts. The torque is transmitted by a high-rigidity coupling, which connects the valve stem and the output shaft of the reducer. A valve position indicator was installed on top of the actuator shell.
The micro controller unit (MCU) and stepping motor driver were installed in the controller of the basis weight control valve. The stepping motor driver drove the stepping motor. Then, the stepping motor driver was controlled by three signals, the pulse (PLS), direction (DIR) and enable (ENA), which were sent by the MCU.5) The controller could control the valve to adjust the pulp flow by means of control the stepping motor of valve. A rotary potentiometer was installed in the valve position indicator and connected with the analog port of the MCU. Then, the valve controller could detect the valve position.

Fig. 2.
Mechanical structure and controller of basis weight control valve developed by authors’ research group
(1. Motor cover, 2. Stepping motor, 3. Planetary gear reducer, 4. Coupling, 5. Valve shaft, 6. V type ball valve, 7. Controller, 8. Valve position indicator, 9. Hand wheel).
The stepping motor driver had a DIP Switch (Dual in-line package switch), as shown in Fig. 2. Eight switches, denoted SW1~SW8, in the stepping motor driver were used in this type of valve. The SW1~SW3 DIP Switches were used to set the drive current value of the stepping motor, which has 8 stage levels that can be set using the current range of 2.0 A to 6.0 A, which determine the drive torque value of the stepping motor. The DIP Switch of SW4 was used to set the state holding current and could be set at a level of 50% or 100%, which determines the state holding torque value of the stepping motor. The DIP Switches of SW5~SW8 were used to set the subdivision rate of the stepping motor, which has 16 stage levels that can be set at subdivision rates of 400 pulse/r to 51,200 pulse/r and determines the number of pulses required to make the stepping motor rotate one revolution. 6)
The existing basis weight control valves were Neles ACE from Metso Flow Control Inc and VBW- 1100 from BTG Instruments AB.7-9) The drive methods were different for each of the valves. A stepping motor drove the ACE valve, and a synchronous motor drove the VBW valve. This paper mainly discusses the valve driven by a stepping motor. Although the motor current limit for different valve sizes was mentioned in the ACE valve, the reasonable current value was not given, and the method of how to set the suitable current value was also not provided. Many researchers have only demonstrated that the drive torque has a qualitative proportional relationship with the drive current of the stepping motor driver. However, the corresponding relationship between the drive torque values and drive current value remains unknown. 10) Thus, it is difficult to determine the current setting value of the stepping motor driver and the reasonable setting values of SW1~SW4. Therefore, the engineering application of these apparatuses is questionable if the current value is set optionally or set at the rated current value of stepping motor. This model does not guarantee that the torque of stepping motor matches the rated design torque of the basis weight control valve. If the current value is set at a low level, the stepping motor cannot overcome the value of resistance during running processes because its torque reserve is not enough. In contrast, the driven torque value is greater than the rated design torque of the valve, so much so that it endangers its safety because the current value level was set higher than the actual demand value. The aim of this study is to solve this problem and find a way to set the reasonable current value that matches the rated design drive torque and the holding torque for the stepping motor of the basis weight control valve.
2. Materials and Methods
2.1 Materials
2.1.1 Development of experimental system for stepping motor drive current level parameters
A reasonable current value can ensure the drive torque matches the rated design torque of the valve.11,12) Additionally, the hold torque and accelerative torque of the stepping motor and the mechanical strength of the valve should be checked to identify whether they are acceptable. However, the relationship between the drive torque and different current setting values was previously unknown because only the rated torque of the stepping motor is provided by motor manufacturers. 13-15) Thus, the maximum current value allows the motor to run safely for a long time. The stepping motor will provide its maximum torque at the rated current. A current-setting experimental apparatus was developed for the valve stepping motor driver that can be used to determine the optimum current setting value of the valve, as shown in Fig. 3. A magnetic powder brake ensured the equal torque of the stepping motor.16,17) The reasonable current value setting level was examined by testing the positioning precision of the stepping motor at different drive current values.
2.1.2 Working principle of the experimental device
As shown in Fig. 3, the stepping motor with the same type of valve and an optical encoder were installed on the back shaft of the motor, and a magnetic powder brake was mounted on the platform of the device as well. The two are connected together through a coupling. A magnetic powder brake provided the load torque of the stepping motor. A tension controller controlled the load torque size by adjusting the exciting current of the magnetic powder brake. The relationship of the torque value and the exciting current of the brake were measured by a torque wrench. The hold torque value was measured by the torque wrench as well. The optical encoder was used to measure the accurate rotation angle. The phenomenon of whether the losing step was accrued can be judged by comparing the rotation angle of the stepping motor with the number of control pulses that were sent to stepping motor driver. Then, the positioning precision of the stepping motor at different current value levels was determined. Finally, the reasonable current value level of stepping motor drive that matches with the rated design torque could be obtained.
2.1.3 Design of the control system for the experimental device
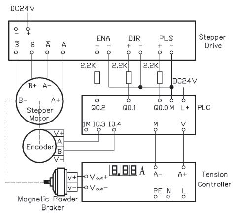
The main capabilities of the control system include measuring the rotation angle of the motor, controlling the movements of the stepping motor, and adjusting the exciting current of the magnetic powder brake. The electrical control system schematic of the experimental device is shown in Fig. 4. The PLC (Programmable Logic Controller) controller was the key part of the control system. High-speed pulses at the output terminal (Q0.0) generated the control pulse signal, and it was connected with the pulse signal input terminal (PLS) of the stepping motor drive. The directional signal was controlled by terminal (Q0.1) of the PLC, and it was connected with the direction signal input terminal (DIR). The torque of the stepping motor was controlled by the enable control terminal (ENA) of the motor drive, and it was connected with the terminal (Q0.2) of the PLC. The drive current of the stepping motor was controlled by the DIP Switches of the stepping motor drive. Connecting the current output terminals with the A, B phase winding of the stepping motor transmitted the drive current. The two-phase pulse signal of the optical encoder was sent to the high speed input signal channels of I0.3 and I0.4 in the PLC input terminals. The mode of the A/B phase quadrature counter was configured in the PLC control program. Therefore, the count value reached 4,000 for each turn of the stepping motor. The accuracy of the optical encoder was increased to 4 times that of the single phase counter mode, which only has a 1,000 count value.18) The brake torque value was controlled by the analog voltage signal that was generated by the PLC controller. The analog output channel with terminals M and V of the PLC connected the exciting current control channel with terminals A- and A+ of the tension controller for the magnetic powder brake. Several DC power settings were used to satisfy the different rated voltage requirements of the PLC, the stepping motor drive, and the optical encoder.
2.2 Methods
The testing procedure is shown in Fig. 5. First, the relationship of the brake torque and the exciting current needed to be measured. Second, the mechanical parameters needed to be analyzed. Then, the equivalent load torque that matched the design load torque was applied to the stepping motor. The initial drive current value was obtained by searching the minimum current value, which can drive the motor positioning accurately without any step loss. The drive current value was characterized by the average current value and the peak current value. The average torque was related to the average current value of the stepping drive, so it influenced the positioning precision during the whole process. Similarly, the peak torque was related to the peak current value of the stepping drive, so it influenced the maximum drive torque of the stepping motor. The mechanical strength needed to be checked because the maximum torque that the stepping motor could supply at the peak current value could exceed the permissible mechanical strength range when the valve was stuck or a mechanical fault occurred and the motor moved on continuously. The static holding torque of stepping motor was then checked to determine whether it should be set at a level of 50% or 100%. To improve the positioning precision, the trapezoidal velocity curve was used to ensure movement occurs smoothly. Then, the trapezoidal velocity curve parameters of the valve-stepping motor, such as the maximum acceleration value and the minimum acceleration time length, were checked. Finally, the reasonable drive parameters were obtained by experiments and analysis.
3. Results and Discussion
3.1 Relationship between brake torque and exciting current of the magnetic powder brake
The magnetic powder brake was used to apply the load torque of the stepping motor that equals the resistance torque of the valve equivalent to the motor shaft. Although the brake torque has a proportional correlation with the exciting current, the brake torque was not exactly proportional to the value of the exciting current. The error of the result obtained from curve interpolation was reported to always be very large, according to the torque-current curve provided by the manufacturers. 19) The quantity of the magnetic powders varies and has great impact on the torque-current curve. To achieve an accurate relationship between the brake torque and the exciting current of the magnetic powder brake, an experimental test was conducted to solve this problem. The following experimental procedures were conducted. First, the exciting current was increased by an increment of 0.05 A (or 0.01 A) each time. Second, gradually increasing load torque was applied by a torque wrench. Then, the brake torque provided by the magnetic powder brake under the current value conditions was obtained. The relationship between the brake torque and exciting current are shown in Table 1.
3.2 Study on the mechanical parameters of the basis weight valve
The mechanical parameters of the basis weight valve need to be confirmed. The mechanical parameters of the basis weight valve with a DN 125 diameter were examined. The rated design torque of valve was 250 N·m.20) The reduction ratio of the reducing mechanism was 200:1. The execution time was 200 seconds for the valves from the full off states to the full open states. The positioning precision was 10,000 steps. The rotation angle of a single step was 1.8° (θ0), and the time length of single step was 0.02 S (T0). The rated load torque of the stepping motor was 1.25 N·m, which was equivalent to the rated design torque of the valve. The stepping motor was required to provide 1.5 N·m of torque, according to a 20% allowance. The trapezoidal acceleration velocity curve was used to improve the positioning precision of the valve for a smooth speed transition.21) The design time length was equal both at the acceleration and deceleration stages for the symmetric relationships of the two stages.
The entire inertia of the basis weight valve was the sum of all parts in transmission, as shown in Eq. [1].
in which I, Im, Ig, Ic, Iv, and n denote the inertia of the whole valve, inertia of the stepping motor, inertia of the planetary gear reducer, inertia of the coupling, inertia of the ball valve and reduction ratio of the planetary gear reducer, respectively.
The mechanical parameters Im=2.7 kg·cm2, Ig=1.15 kg·cm2, Ic=15 kg·cm2, Iv=28 kg·cm2, and n=200 were placed into Eq. [1]. The entire inertia of the basis weight valve was equal to 3.85 kg·cm2.
3.3 Test of the drive current level of the stepping motor drive
The aim of this test was to measure the minimum current level of the stepping motor drive that could satisfy the positioning precision under the rated load torque of the valve that was equivalent to the stepping motor.22) The phenomenon of “losing step” occurs when the motor cannot overcome the load torque to be precisely positioned because of the drive current is lower than required.
The stepping motor and driver were used in this paper. The voltage of the stepping drive was 24 VDC. Six current levels and their peak values could satisfy the rated current value of the stepping motor (5.5 A), as follows: 2.00 A (2.4 A), 2.57 A (3.08 A), 3.14 A (3.77 A), 3.71 A (4.45 A), 4.28 A (5.14 A), and 5.43 A (6.52 A). (The in parentheses mean the peak value.) The current value can be set by the DIP Switch of the stepping drive. The positioning precision of the stepping motor was measured by comparing the control pulse generated by the stepping drive. Then, the current values were examined to determine which values could satisfy the requirements of positioning precision.
The positive rotation and reverse rotation motions are normal movements of the stepping motor during the running valve process. To make sure the working conditions of the experimental device were in accordance with the actual basis weight valve, repeated positioning was used to simulate the actual valve status. During positioning testing, the apparatus rotated 50 turns in the forward direction and then in reverse direction; each time the rotation angle was 360°. A high-precision optical encoder measured the accuracy of the rotation angle. Then, the test results were used to evaluate the positioning precision of the stepping motor. The precision was considered to be high if the final rotational angle is 0 or close to 0, indicating that the motion of motor can return to its original position. Otherwise, poor precision was indicated if the rotation angle was largely different from the value of 0. Moreover, the precision could be judged by observing the coupling markers in terms of whether the coupling rotated a full turn. The precision was considered low if the motor could not rotate a full turn because the drive torque was lower than the resistance torque and the motor was unable to move precisely. Each current value level was repeated three times. The rotation angle values of the stepping motor at rated load torque are shown in Table 2.
Table 2.
Rotation angle of stepping motor at different current value level
Based on the analysis of the experimental data, drive current values at 3.71 A (Ia0, Average current value) and 4.45 A (Ip0, Peak current value) were able to drive the stepping motor to rotate in a complete circle. The final positioning precision error was less than 0.5% during 50 forward and reverse rotations. This current value level was able to satisfy the needs of the drive.
If the current value was set at a level lower than 3.71 A without any testing, the stepping motor could not drive the valve precisely because its drive torque was not large enough to overcome the resistance torque. This problem is difficult to diagnose, however. At first, the stepping motor drove the valve rotation precisely because the resistance was as small as the new mechanical structure. However, after some period of time, the precision decreased because of losing steps, and the stepping motor could not provide enough torque as the running resistance torque increased because of mechanical abrasion and valve spool pollution. The valve could not provide the same precision as in the initial state, causing a loss of precision after several years of use.
According to the test, the following conclusions could be obtained:
(1) The stepping motor could overcome resistance torque equivalent to the rated design torque of the valve when the drive current value was set to 3.71 A. The DIP Switch of SW1~3 should be set at a state of 001.
(2) The stepping motor could not overcome the resistance torque equivalent to the rated design torque of the valve if the drive current value was set at a level lower than 3.71 A. The positioning precision of the stepping motor greatly decreased.
(3) On the contrary, there will be more calorific of the stepping motor and stepping motor driver occurred if the drive current value was set higher than 3.71 A.23) It brought adverse effects on the safety and steady operation of the basis weight control valve.
3.4 Mechanical structure strength check
The current parameters were examined for the stepping drive included the average value and peak value. The average current value determines the average drive torque value, and the peak current value determines the maximum drive torque value. The drive torque at the moment of the peak current value was larger than the average current value. The stepping motor continues moving because the upper controller sent the control pulse. Motion was prevented by mechanical failure or by flowing mediums such as by pulp fibers. Therefore, the torque was still output by the stepping motor, even up to the maximum drive torque value. Mechanical damage occurs if the drive torque exceeds the allowable strength of the mechanical structure.24) It was necessary, therefore, to measure the maximum drive torque value of the stepping motor at the initial current setting value and check the mechanical strength of the valve.
The test method for obtaining the maximum drive torque value of the stepping motor at the initial current setting value is described below. First, the drive current of the stepping motor was set at 3.71 A (the average value) by adjusting the DIP Switch of the driver. Second, forward and reverse control pulses were sent to the stepping motor driver. Meanwhile, the brake torque gradually increased by increasing the exciting current value of the magnetic powder brake. The maximum drive torque value of the stepping motor was equal to the brake torque of the magnetic powder brake until the motor could not drive the magnetic powder brake. The experimental test results are shown in Table 3.
Table 3.
Maximum drive torque value of stepping motor at the drive current setting value
Based on the analysis of experimental data, the positioning precision of the stepping motor had very high accuracy at the corresponding load torque of 1.7 N·m. This drive torque value demonstrated 0.2 N·m reserve of torque compared to the rated torque value of 1.5 N·m. As the exciting current of magnetic powder brake increased, the brake torque increased also. The motor cannot rotate in a complete circle, so the drive torque at the average current was lower than the load torque and the exciting current value was higher than 0.34 A. The output torque at the peak current value was higher than the load torque because the motor was able to move. The brake torque increased with the increasing exciting current. The motor rotated with a smaller angle, and the output torque provided by the stepping motor could provide a peak current closer to the brake torque. The motor was unable to move with any small angle for an output torque equal to the brake torque when the exciting current value of the magnetic powder brake was adjusted to 0.44 A. The brake torque value was 3.1 N·m at this moment, which equals the maximum torque that the stepping motor can provide at this stepping drive current value.
The valve parts, including the planetary gear reducer, the coupling and the valve stem, act as a supporting torque load. Therefore, their allowable strength should be checked. The drive torque increased to 620 N·m when the reduction ratio of the planetary gear reducer was 200:1. The rated torque of the planetary gear reducer was 320 N·m, and the maximum allowable torque was 640 N·m. Therefore, the planetary gear reducer satisfies the allowable strength requirements. The rated torque of the coupling was 400 N·m, and the instantaneous maximum allowable torque was 1,120 N·m. Therefore, the coupling can also satisfy the allowable stress. The maximum allowable torque of the valve stem was 700 N·m, which was confirmed by the valve manufacturer. Thus, all the valve parts were able to satisfy the drive torque needs. In this case, all parts were suitable for the allowable torque.
If the drive current was set at the rated current of the stepping motor with the rated current value of stepping motor of 5.43 A (6.52 A) without any experimental testing as shown in the article, the actual maximum drive torque was 3.85 N·m according to a new round of tests. The output torque increased to 770 N·m through the planetary gear reducer with a reduction ratio of 200:1. This torque already exceeds the mechanical strength value of the planetary gear reducer and the V type ball valve. Thus, setting the drive current value at the rated current value of the stepping motor will cause mechanical damage.
According to the test, the following conclusions could be obtained:
(1) The maximal drive torque of the stepping motor was much larger than the drive torque when the stepping motor was steadily running. Thus, the current was larger than its average current value.
(2) The mechanical structure of the valve could satisfy the strength requirement when the drive current value was set at 3.71 A.
(3) Mechanical damage may occur if the value was set at a level of 5.43 A, which is equal to the rated current value of stepping motor. This was the largest problem when setting the drive current value by experience rather than by experiment; this may cause large valve damage.
3.5 Testing the state holding current setting value
The valve was expected to remain still at fixed opening if the process was steady. The stepping motor remains still when the upper control system does not send a pulse signal to the stepping motor drive. An impact force was experienced when fluid flowed around the valve, and the impact force will be transmitted to the stepping motor because the planetary reducer did not have a self-locking function. The expected value of the holding torque was equal to 1.5 N·m, which was equal to the rated design torque of the valve equivalent of the stepping motor. The stepping motor holding torque depended on the state holding current of the stepping motor drive. The stem of valve moves and cannot hold its present opening position if the holding torque is lower than the impact torque. Thus, the valve may become out of control.
The DIP Switch of SW4 was used to set the state holding current value; there were two levels to choose from, 50% or 100%. It is difficult for users to choose, as the manual for the stepping motor only provided the holding torque at the rated current value. The holding torque value remained unknown, as the current value of the stepping motor was set lower than its rated current value. To solve this problem, the holding torque must be measured to determine whether the level of 50% or 100% was suitable for the valve holding torque.
The testing process was as follows:
(1) Dismantle the coupling between the magnetic powder brake and the stepping motor.
(2) Fix the measuring head of torque wrench to the stepping motor shaft.
(3) Set the drive current value to 3.71 A by turning the DIP Switch of SW1~SW3. Similarly, set the state holding current at level of 50% by turning the DIP Switch of SW4.
(4) Without sending any pulse signal to the stepping motor driver, the stepping motor will remain stationary by the holding current. Then, the holding torque of the stepping motor can be measured by the torque wrench, which gradually increases the load torque to the motor shaft. The maximal holding torque was obtained when the motor sliding.
According to the experimental results, the maximal holding torque was 2.8 N·m when the state holding current value was set at the level of 50%. The holding torque was larger than the rated design torque of 1.5 N·m, which was even larger than the drive torque that the stepping motor could provide at 1.7 N·m, as section 3.4 showed. Therefore, enough holding torque was provided to overcome the fluid impulsive force. This shows that the holding torque is usually larger than the drive torque. As the holding torque could satisfy the needs of valve, there was no need to test the level of 100% state holding current. The holding torque must be larger than the torque when the state holding current was set at value of 50%. In contrast, the calorific value of the stepping motor and stepping motor driver would be higher if the state holding current value was set at 100%, resulting in an adverse effect on safety and the steady operation of the basis weight control valve.
According to the test, the following conclusions could be obtained:
(1) The holding torque of the stepping motor could satisfy the needs of the valve. The state of SW4 should be set at the value of 0 according to the manual of the stepping motor driver.
(2) In contrast, the calorific value of the stepping motor and stepping motor driver will be higher if the state holding current value was set at the level of 100%, resulting in an bring adverse effect on safety and steady operation of the basis weight control valve.
3.6 Study on the trapezoidal velocity curve parameters of the valve-stepping motor
The common method of the stepping motor is controlled by a constant frequency pulse, which can easily cause a lost step. Consequently, the drive torque cannot satisfy the acceleration from the dramatic change of velocity, which accelerates to the rated velocity in a brief moment. Different from previous methods, a trapezoidal velocity curve was adopted to make the motion more smoothly. In addition, consequently, the valve-positioning precision improves.25) However, the parameters of the trapezoidal velocity curve have a big impact on the positioning precision of stepping motor in the valve. A lost step will also occur if the acceleration transient time is too short or the acceleration value was too high. The scientific evidence was lacking if the acceleration value was set only by experience. Because the drive torque was unknown, the maximum acceleration value for the stepping motor could not be determined. The experimental value is needed to test the correct acceleration value. The relevant calculations and process are described as follows.
The acceleration of the stepping motor depends on the drive torque, resistance torque and the whole inertia of basis weight valve, as shown in Eq. [2].
in which Md, Mf and a1 denote the rated drive torque of stepping motor, the resistance torque transmitted from the planetary gear reducer which is equal to the design torque of valve, and the maximum acceleration of stepping motor provided, respectively.
When the values Md=1.5 N·m, Mf=1.25 N·m, and I=3.85 kg·cm2 were substituted into Eq. [2], the maximum acceleration of the stepping motor could be calculated as a1=649.35 rad/s2. The acceleration of the practical application was lower than the maximum acceleration that the stepping motor could provide because the motor had enough torque to achieve the perfect trapezoidal velocity curve. The allowable acceleration in practical applications was denoted a1', which was half value of a1, corresponding to a value of 324.675 rad/s2. The rotational angular velocity at the regularity speed of the stepping motor moving after the accelerate stage is shown in Eq. [3].
in which ω0 denotes the rotational angular velocity at regularity speed of stepping motor and T denotes the actuation time of valve, which is the length of time it takes the valve to go from a full closed condition to a full open condition. In addition, the actuation time was 200 seconds according to the valve manual. The rotation angle of ball valve was 90°, which was also equal to 1/4 π in radians. After substituting these values in Eq. [3], the rotational angular velocity at the regularity speed of the stepping motor was calculated to be ω0=0.7854 rad/s.
The relationship of allowable acceleration, allowable acceleration time and rotational angular velocity at the regularity speed of stepping motor is shown in Eq. [4].
in which T0' denotes the allowable acceleration time. When the values for ω0 and a1' were substituted into Eq. [4], the value of T0' was no less than 0.0024 seconds.
According to the results, the following conclusion could be obtained:
Although the acceleration time was able to satisfy the needs of the drive torque, the acceleration time was set at 0.01 S and the deceleration time was set at 0.01 S due to the symmetrical relationship of acceleration and deceleration. These values increase the applicability of this method for the design of a control program in practical applications.
3.7 Test results of the process described in sections 3.1 to 3.6
According to the tests and analysis described in sections 3.1 to 3.6, the drive parameters could be obtained for a DN125 mm basis weight control valve, which is used as an example. These drive parameters were able to satisfy the requirement of drive torque, holding torque and acceleration torque.
(1) The reasonable drive average current value was 3.71 A (the peak current value was 4.45 A).
(2) The reasonable state holding current value was set at a level of 50%. The DIP Switches of SW1~SW4 should be set at a value of 0010.
(3) The reasonable acceleration time and deceleration time were both set at 0.01 seconds.
3.8 Experimental tests of stepping motor positioning precision
The positioning precision of stepping motor is the key indicator of the basis weight control valve, so it was necessary to test the positioning precision of the motor when the motor was installed on the valve. The test methods are described as follows.
Under the parameters showed in section 3.7, the stepping motor, which was the same type used in the basis weight valve, was installed on the planetary gear reducer of the valve. The rotation angle was precisely measured by a high-precision optical encoder installed on the back shaft of the stepping motor. A self-developed controller for the basis weight valve was used to control the positioning precision of the valve. The trapezoidal velocity curve was adopted to drive the valve positioning by an internal programs for the controller. We have tested the positioning steps 1, 2, 5, and 10 under the condition of 10,000 steps at full travel range. The results of each positioning process are shown in Table 4.
Table 4.
Experimental data of positioning precision of stepping motor which drive the valve
The test results show that the error of the actual positioning precision was very small. The error at the minimum one step was 5.0%, which satisfies the error limitation of being less than 5%. Moreover, the error rate of 10 positioning steps was 0.5%; the precision will be higher for a higher number of positioning steps.
A prototype machine was developed by authors’ research group is shown in Fig. 6. The prototype machine has been tested on the high-speed tissue paper machine in Sichuan province of China. The test results showed that the basis weight of paper could be controlled in the range of 14±0.2 g/m2. The precision could meet the technological requirement.
4. Conclusions
This paper examined the drive parameters of basis weight control valves. The reasonable drive current value, the state holding current value and the parameters of a trapezoidal velocity curve were obtained. Thus, the following conclusions could be drawn:
(1) The stepping motor could not overcome resistance torque equivalent to the rated design torque valve if the drive current value was set at a value lower than the required level. Consequently, the positioning precision of the stepping motor greatly decreases.
(2) More stepping motor and stepping motor driver calories are burned if the drive current value was set higher than required. An adverse effect on safety and the steady operation of the basis weight control valve then occurs, even to the extent of causing mechanical damage to the basis weight control valve.
(3) Commonly, the holding torque will be larger than the drive torque of the stepping motor, so there is no need to set the state holding current value to 100%. Adverse effects will occur and threaten the safety and steady operation of the basis weight control valve because large quantity of heat.
(4) The drive current value and the state holding current value should be set at reasonable values, neither too large nor too small. The reasonable setting values should be tested rather than using the rated current values provided in the stepping motor manual.






