1. 서 론
플라스틱은 저렴한 비용과 우수한 배리어 특성 및 기계적 특성을 가지고 있어 일상생활에서 포장 및 건축자재로 널리 사용되고 있다. 그러나 이러한 플라스틱은 쉽게 생분해가 되지 않고 환경에 그대로 축적되기 때문에 환경오염과 폐기물 처리문제를 야기하여 이에 대한 우려가 커지고 있다. 현재 종이 코팅 공정에서는 특성을 향상시키기 위해 플라스틱 및 비닐을 사용하는데 주로 사용되는 에틸 비닐 알코올(ethylene vinylalcohol, EVOH)과 폴리에틸렌(polyethylene, PE)은 배리어 특성을 개선시킨다는 장점은 있지만 재생이 불가능하고 생분해성이 낮아 환경오염 문제를 야기시킨다.1) 이러한 환경문제에 대한 인식이 증가함에 따라 재생이 가능하고 생분해성인 친환경적인 소재에 대한 연구가 이루어지고 있으며 그중에서도 셀룰로오스를 사용하는 코팅 및 포장재료, 특히 식품 포장재료에 대한 연구가 활발히 이루어지고 있다.2,3) 하지만 셀룰로오스 섬유는 공극이 있는 구조이기 때문에 수증기와 산소 등에 취약한 배리어 특성을 가지고 있다는 단점이 있다.4,5) 이러한 셀룰로오스 섬유에 기계적 처리를 가하여 섬유폭이 100 nm 이하의 나노 수준으로 제조한 것을 셀룰로오스 나노 피브릴(cellulose nanofibril, CNF)이라고 한다. CNF는 큰 종횡비와 비표면적을 가지고 높은 강성과 재생산성, 생분해성 등의 특성을 가지고 있다.6,7) CNF를 이용하여 필름으로 제조할 경우 기존의 셀룰로오스 섬유보다 높은 투명성과 기계적 특성을 가지고 산소 투과를 차단하는 성질이 우수하며 수소결합을 통해 강한 네트워크를 형성시키기 때문에8-10) CNF를 배리어 코팅제로 활용할 수 있을 것으로 생각된다. 이러한 CNF의 장점들을 이용하여 포장 및 식품 포장 등의 기술 도입에 관한 연구가 꾸준히 이루어지고 있다.11) 효율적이고 경제적으로 배리어 코팅을 진행하기 위해 CNF를 사용해서 다층 코팅을 진행하는 연구가 보고되었으며 다층 코팅 시 배리어 성능이 증가하는 것이 확인된 바 있다.12,13) CNF는 일반적으로 음전하를 띠는 표백 크라프트 펄프로 제작되고 있어 음이온성을 띠고 있다. 이로 인해 음전하를 띠고 있는 펄프 섬유와 상호작용이 좋지 않다고 보고되고 있는데 화학적 전처리를 통해 양이온성 CNF를 제조하게 되면 펄프 섬유와의 상호작용이 향상될 것으로 기대된다.14,15)
본 연구에서는 양이온성 고분자 전해질인 poly-DAD MAC을 사용하여 활엽수 표백 크라프트 펄프(hardwood bleached kraft pulp, HwBKP)의 표면 개질을 실시한 후 기계적 분쇄공정을 거쳐 양이온성 CNF를 제조하였다. 양이온성 CNF와 음이온성 CNF를 이용하여 노사이징 원지에 배리어 코팅을 실시한 뒤 각 조건에 따른 도공량, 투기도, 커버리지를 분석하여 배리어 코팅제로 양이온성 CNF의 적용 가능성을 도출하고자 하였다.
2. 재료 및 방법
2.1 공시재료
본 연구에서는 M사에서 제공받은 활엽수 표백 크라프트 펄프(HwBKP)를 사용하여 셀룰로오스 나노피브릴(CNF)을 제조하였다. 양이온성 고분자 전해질인 poly-DADMAC을 사용하여 표면 개질된 펄프를 통해 양이온성 CNF를 제조하였으며 양이온성 고분자 전해질의 특성을 Table 1에 나타냈다. 원지는 H사에서 제공받은 평량 95 g/m2의 노사이징 원지를 사용했다.
2.2 실험방법
2.2.1 음이온성 CNF와 양이온성 CNF 제조
본 실험에서는 HwBKP를 이용하여 CNF를 제조하였다. 실험실용 밸리비터(valley beater)를 이용하여 HwBKP를 450 mL CSF 수준으로 고해를 실시한 후 펄프를 1% 농도로 희석하였다. HwBKP는 자체적으로 음이온성을 나타내기 때문에14,15) 음이온성 CNF는 희석된 펄프로 그라인더(Super Masscolloider, Masuko Sangyo Co., Ltd., Japan)를 이용하여 운전속도 1,500 rpm, 스톤간격 -150 µm 조건에서 제조하였다. 양이온성 CNF는 선행연구결과에 따라16) 양이온성 고분자 전해질인 poly-DADMAC을 전건 섬유 대비 2% 조건으로 지료에 투입한 뒤 600 rpm 조건에서 5분간 교반하여 표면 개질을 실시한 후 음이온성 CNF 제조방법과 동일한 그라인더 조건에서 제조하였다. 그라인더 패스횟수에 따른 배리어 적성을 파악하기 위해 음이온성 CNF와 양이온성 CNF 모두 패스횟수를 5, 9회로 하여 CNF를 각각 제조하였다.
2.2.2 양이온성 CNF의 물성 측정
Poly-DADMAC을 사용하여 표면 개질한 양이온성 CNF의 물성을 분석하기 위해 입도분석기(1090LD, CILAS, France)를 이용하여 입도를 측정하였으며, 표면 개질된 CNF의 정전기적 특성을 파악하기 위해 제타전위 분석기(Zetasizer Nano ZS, Malvern, UK)를 이용하여 제타전위를 측정하였다.
2.2.3 CNF를 이용한 배리어 코팅
노사이징 원지는 23℃, 50% RH 조건에서 24시간 이상 조습처리를 실시한 후 실험실용 바코터(AUTO BAR COATER, HanTech Co., Ltd., Korea)를 이용하여 CNF를 원지 위에 70 mm/s 속도로 코팅하였다. 로드번호 22번의 바를 사용하여 음이온성 CNF만으로 반복 코팅한 종이와 양이온성 CNF와 음이온성 CNF를 반복해서 코팅한 종이 두 종류로 실험하였고 각각 4회 및 6회 반복 코팅하였다. 배리어 코팅 방법에 대한 상세한 모식도를 Fig. 1에 도시하였다.
3. 결과 및 고찰
3.1 음이온성 CNF와 양이온성 CNF의 특성 평가
음이온성 CNF와 양이온성 CNF의 패스별 평균 입도를 측정하였고 그 결과를 Fig. 2에 나타냈다. 그라인더 패스횟수 증가에 따라 평균 입도는 감소하였으며 양이온성 고분자 전해질인 poly-DADMAC으로 펄프를 표면 개질한 뒤 양이온성 CNF를 제조하여도 입도 크기는 음이온성 CNF와 큰 차이가 나타나지 않았다. 표면 개질한 펄프로 제조된 양이온성 CNF의 전하역전 여부를 확인하기 위해 제타전위를 측정하였고 Fig. 3에 나타냈다. 표면 개질되지 않은 펄프로 제조된 CNF인 경우 음이온성을 나타냈지만 poly-DADMAC으로 표면 개질할 경우 양이온성으로 전하역전되는 것을 확인할 수 있었다. Fig. 4에 도시된 전하분포를 통해 전하역전과 함께 전하분포 또한 음이온성과 양이온성이 혼재되어 있지 않고 양이온성 CNF만 존재한다는 것을 확인했다.
3.2 양이온성 CNF로 배리어 코팅된 종이의 특성 분석
패스횟수 5회, 9회인 CNF를 사용하여 코팅을 각각 4회, 6회 진행하였고 양이온성 CNF를 사용하여 음이온성 CNF와의 반복 코팅도 동일하게 진행하였다. Tables 2-3에 나타낸 도공량 측정 결과에서 볼 수 있듯이 패스횟수에 따른 도공량은 큰 차이가 없는 것을 알 수 있었으며 양이온성 CNF를 이용하여 음이온성 CNF와 반복 코팅을 진행하여 준 종이는 음이온성 CNF만으로 코팅한 종이보다 도공량이 높다는 것을 알 수 있다. 이후 공기투과 저항성을 평가하기 위해 Gurley 투기도를 측정하였고 그 결과를 Figs. 5-6에 나타냈다. 같은 원지에 코팅 횟수에 따라 도공량이 증가하면서 Gurley 투기도 또한 증가하였는데 이는 도공량이 증가하면서 공극이 감소하였기 때문이라 판단된다.17) 원지의 투기도가 50초 정도인 반면 패스횟수 5회인 CNF로 4회, 6회 코팅한 종이는 각각 600초, 4,500초 정도의 투기도를 나타냈으며, 패스횟수 9회인 CNF로 4회, 6회 코팅한 종이는 각각 1,100초, 8,000초 수준의 투기도를 나타냈다. 패스횟수가 9회인 CNF가 5회인 CNF보다 Gurley 투기도가 2배가량 높다는 것을 확인하였는데 이는 평균 입도의 크기가 작은 CNF가 원지의 섬유 간 교차로 인해 생성된 공극에 보다 균일하게 침투하기가 유리하기 때문이라 판단된다.18) 양이온성 CNF를 이용하여 음이온성 CNF와 반복적으로 코팅을 해 준 경우 패스횟수 5회의 조건에서는 4회 코팅 시 800초 정도의 투기도를, 6회 코팅 시 5,300초 정도의 투기도를 나타냈으며 패스횟수 9회의 조건에서는 4회 코팅 시 약 1,700초, 6회 코팅 시 9,000초 정도로 Gurley 투기도가 더욱 증가했다. 결과적으로 양이온성 CNF와 음이온성 CNF를 반복 코팅하였을 때 음이온성 CNF로만 코팅을 진행한 종이보다 도공량이 증가하고 공기 저항성이 증가하였는데 이는 음이온성을 띠고 있는 기존의 원지와 CNF의 전하와 반대되는 양이온성 CNF로 인해 정전기적 인력이 발생하여 코팅층 간의 결합이 강화되었기 때문이라 판단된다.
Table 2.
Coat weight of CNF coated paper with pass number 5 as a function of the number of coating layers
| Coat weight (g/m2) | 4 coating layers | 6 coating layers |
|---|---|---|
| Anionic CNF | 2.09 | 3.16 |
| Cationic CNF | 2.57 | 3.72 |
Table 3.
Coat weight of CNF coated paper with pass number 9 as a function of the number of coating layers
| Coat weight (g/m2) | 4 coating layers | 6 coating layers |
|---|---|---|
| Anionic CNF | 2.13 | 3.18 |
| Cationic CNF | 2.58 | 3.77 |
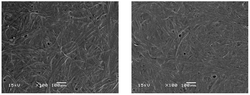
3.3 양이온성 CNF로 배리어 코팅된 종이의 도포 양상 분석
배리어 코팅에 따른 종이의 도포 양상을 파악하기 위해 주사전자현미경을 이용하여 배리어 코팅을 진행한 종이의 표면을 관찰하였고 촬영 이미지를 Figs. 7-11에 도시하였다. 4회 반복 코팅한 결과 CNF가 섬유 사이 공극들을 채우긴 하였으나 미세한 공극이 관찰되는 등 완전히 표면에 도포되지 못한 모습을 보였으며 6회 반복 코팅한 결과에서는 섬유 사이의 공극들이 CNF에 의해 완전히 도포된 것으로 나타났다. 같은 코팅 횟수를 진행하여도 패스횟수 9회의 CNF가 패스횟수 5회의 CNF보다 종이 표면에 도포가 잘되어 커버리지가 우수하다는 것을 확인할 수 있는데 이는 앞서 설명한 바와 같이 입도 크기가 작을수록 섬유 사이의 공간에 잘 침투하기 때문이라 판단된다. 양이온성 CNF를 사용하여 음이온성 CNF와 반복 코팅을 진행한 경우 음이온성 CNF만을 사용하여 코팅을 진행한 것보다 미세한 공극의 수가 감소한 것을 알 수 있었고 도공량도 음이온성 CNF만으로 코팅을 진행하였을 때보다 높아 커버리지가 우수한 것을 확인했다. 코팅 횟수에 따른 표면 도포 양상의 차이는 명확히 관찰되었으며 앞서 측정한 투기도 차이는 이러한 CNF의 도포 양상이 원인이 된 것으로 판단된다.

Fig. 8.
SEM images of CNF coated paper with pass number 5 at 4 coating layers (left: only anionic CNF right: cationic and anionic CNFs).

Fig. 9.
SEM images of CNF coated paper with pass number 5 at 6 coating layers (left: only anionic CNF right: cationic and anionic CNFs).
4. 결 론
본 연구에서는 HwBKP에 양이온성 고분자 전해질인 poly-DADMAC을 이용하여 표면 개질 유무와 마이크로 그라인더 패스횟수에 따라 양이온성 CNF와 음이온성 CNF를 제조하였다. 제조된 CNF를 이용하여 노사이징 원지에 배리어 코팅을 실시하였으며 코팅 횟수에 따른 도공량, 공기투과 저항성을 측정하였고 주사전자현미경을 통해 배리어 코팅 전후의 종이 표면을 관찰하였다.
CNF의 그라인딩 패스횟수에 따른 도공량 차이는 크게 발생하지 않았고 공기 저항성은 패스횟수 9회인 CNF가 패스횟수 5회인 CNF보다 명확하게 높게 나타났다. 음이온성 CNF만을 이용하여 코팅을 진행한 결과 코팅을 반복할수록 도공량은 점차 증가하였고 양이온성 CNF를 이용하여 음이온성 CNF와 반복 코팅한 결과 같은 조건에서도 도공량이 보다 크게 증가하였다. 공기 저항성의 경우 도공량이 증가함에 따라 다공성이 감소하여 코팅 횟수가 증가할수록 높게 나타났다. 따라서 패스횟수 9회의 양이온성 CNF를 코팅 과정에 적용시키면 같은 코팅 횟수에서도 더 높은 도공량과 공기 저항성을 가지며 배리어 코팅의 반복 횟수가 증가할수록 우수한 도공량과 공기투과 저항성을 가지는 데 효과적이라고 판단된다.











