1. Introduction
Pulping mill will produce black liquor waste after alkaline pulping. Through alkali recovery method, the waste can be reduced to more than 90%. At the same time, the steam generated during alkali recovery can be used for power generation or other sections. At present, the alkali recovery rate of wood pulp mostly exceeds 93%, and some are as high as 98%,1) but the thermal efficiency of the alkali recovery furnace is always at a low level.2) This problem is due to the low concentration of black liquor, the design defects of alkali recovery furnace equipment and the unreasonable air supply. At present, there are many studies on the thermal efficiency of power station boilers,3-5) but few studies on the thermal efficiency of alkali recovery boilers. There are only few studies have made some explorations on improving the thermal efficiency of alkali recovery furnace and reducing heat loss: Cao6) qualitatively analyzed the influence of each air volume ratio on the improvement of the thermal efficiency of the alkali recovery furnace, and discussed the relationship between the operating parameters of the combustion air supply system of the alkali recovery furnace and the impact on the alkali recovery furnace. By improving the soot blowing system of the alkali recovery furnace, Tang and Yu.7) realized the improvement of thermal efficiency from the perspective of mechanical heat transfer. Yuan8) analyzed the combustion process through the computer digital simulation software of the alkali recovery furnace. This gives a certain guiding effect on improving thermal efficiency when designing alkali recovery furnace. Scholars’ research has a certain significance to improve the thermal efficiency of the alkali recovery furnace, but the thermal efficiency model of the alkali recovery furnace has not been established, and it cannot provide a theoretical basis for the optimization of the key control variables of the alkali recovery furnace. A lot of research experience has shown that there is a close relationship between the thermal efficiency of the alkali recovery furnace and the oxygen content of flue gas,9,10) and the relationship is shown in Fig. 1.
In order to verify the relationship between the thermal efficiency of the alkali recovery furnace and the oxygen content of flue gas, the exhaust temperature, the carbon content of the soda ash , the incomplete combustion gas in the flue gas, the author designed and completed the combustion experiment of the alkali recovery furnace. Based on the analysis of the experimental results, the calculation method of the thermal efficiency is obtained by the establishment of the heat balance relationship of the alkali recovery furnace through the law of conservation of energy. And above that, the mathematical relation between the thermal efficiency of the alkali recovery furnace and the oxygen content of flue gas, the carbon monoxide content in the flue gas, the exhaust gas temperature, the carbon content of the soda ash is obtained. Finally, a model of thermal efficiency with respect to the oxygen content of flue gas is obtained by the actual operating data which is based on the combustion adjustment test. Considering that nitrogen oxide is one of the main pollutants in the atmosphere, and it also causes great damage to human health and the ecological environment. Some pulping mills that are not equipped with denitration processes, and attention should also be paid to nitrogen oxide emissions while improving thermal efficiency. According to that, we established a composite optimization model for thermal efficiency and NOx emissions. In the end, the model is optimized by using the BFGS quasi-Newton method,and the optimization results are applied to the combustion control system of the alkali recovery furnace. The actual operation results show that the model has a good effect on improving thermal efficiency and reducing NOx emission concentration.
2. Experimental
2.1 Operation of alkali recovery furnace
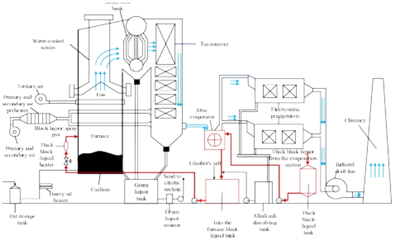
The whole experiment includes engineering operation and online measurement. The engineering operation stage is based on the actual operating alkali recovery furnace. The process flow of the alkali recovery combustion section is shown in Fig. 2. First, the black liquor from the evaporation section is further concentrated by the disc evaporator. The concentrated black liquor is mixed with soda ash and sodium sulfate and then sent to the thick black liquor heater, and then sprayed into the middle and lower part of the alkali recovery furnace for combustion. In the alkali recovery furnace, the black liquor is atomized, dried and burned. Part of the burned black ash falls on the cushion of the alkali recovery furnace, the black ash continues to burn, the inorganic matter continues to melt, and part of the organic matter is carbonized into elemental carbon for combustion and reduction of sodium sulfate.The air required for the combustion of black liquor is supplied by the air supply system of the alkali recovery furnace. The primary and secondary air are sent to the air preheater to be heated by the blower, and after the air is heated to about 150°C, it is sent to the combustion furnace through the primary and secondary air nozzles. The tertiary air does not need to be preheated and is directly sent to the combustion furnace by the blower. The ratio of primary, secondary and tertiary winds is: 45:40:15. The high-temperature flue gas generated by the combustion of the black liquor absorbs the waste heat through the economizer, pan evaporator and other equipment, and then passes into the electrostatic precipitator to recover the soda ash. Finally, the flue gas is discharged from the chimney through the induced draft fan. The control of the combustion section of the alkali recovery furnace uses a multi-level computer distributed control system (DCS). The hardware structure of the system is shown in Fig. 3. In the experiment of adjusting the oxygen content of flue gas to obtain other relevant data, the system can be used to transmit the on-site data monitoring value through the communication system in the DCS to the upper computer for display. The set value of the oxygen content of flue gas is modified by the operator, and the signal is sent to the controller through the communication system in the DCS. The control of the oxygen content of flue gas is mainly completed by ensuring a stable black liquor flow and adjusting the size of the air supply. The black liquor flow is stabilized by controlling the speed of the black liquor pump. At the same time, the air supply is controlled by adjusting the speed of the fan or adjusting the air duct baffle.
2.2 Control method for the experimental device
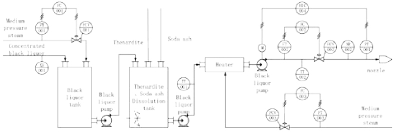
In order to better carry out the experimental analysis, the author firstly analyzes the heat balance system of the alkali recovery furnace from the perspective of theoretical analysis, and established the thermal balance relationship between the thermal efficiency of the alkali recovery furnace and the oxygen content of flue gas, CO content, exhaust gas temperature, soda ash carbon content. Through further analysis of the variables in the relationship, it is found that there is a certain relationship between the oxygen content of flue gas and the CO content, the exhaust temperature and the carbon content of the soda ash. In order to verify and obtain the relationship between the oxygen content of flue gas and CO content, exhaust gas temperature, soda ash carbon content, the author conducted an alkali recovery furnace combustion adjustment test in Henan Xianhe Paper Mill. The experiment obtains the corresponding data of the other three basic variables by adjusting the numerical value of the oxygen content of flue gas. In order to ensure the reliability of the measured data, it is necessary to ensure a stable fuel supply so that the combustion process can run smoothly. In order to stabilize the supply of black liquor, the flow of black liquor needs to be adjusted. The black liquor supply system is shown in Fig. 4.
In the experiment, the relevant data information is obtained by continuously adjusting the numerical value of the oxygen content. In order to achieve accurate control of the oxygen content of flue gas, through the analysis of the control difficulties and influencing factors of the oxygen content of flue gas, a cascade control scheme is adopted for the oxygen content of flue gas. The scheme is to use the oxygen content of flue gas as the main controlled variable, and the ratio of the amount of black liquor into the furnace to the total air supply volume as the secondary controlled variable, thereby forming a cascade-variable ratio control system. The control block diagram is shown in Fig. 5.
In the above-mentioned the oxygen content of flue gas control system, when the oxygen content of flue gas setting value is modified, the oxygen content controller will adjust the output in time and change the setting value of the black liquor/air ratio controller. The system will automatically adjust the inverter to adjust the total air supply so that the oxygen content of flue gas reaches the set value we need. When the amount of black liquor entering the furnace is disturbed, causing the total air supply to change, the black liquor/air ratio controller will adjust the inverter in time to change the air supply, so as to keep the oxygen content of flue gas stable.
During the experiment, according to the actual situation of the industrial site, the research team increased the set value of the oxygen content of flue gas from 0.64 to 7.61. After adjusting the oxygen content of flue gas each time, the system is operated continuously for a period of time, and 50 sets of data are collected after the various variables are stabilized. In this experiment, the set value was adjusted 8 times, and a total of 400 sets of data were collected. Then, the PauTa criterion(also known as 3 σ criterion) was used to eliminate unreasonable data on the collected data, and the remaining data of each group was averaged.The results are shown in Table 1.
3. Results and Discussion
3.1 Results
According to the data in Table 1, the relationship between the oxygen content of flue gas and the CO content and the exhaust gas temperature can be obtained by curve fitting. Combining the above relationship with the heat balance equation, we can get a composite optimization model for thermal efficiency and NOx emissions. According to the different emphasis on thermal efficiency and NOx emission concentration,the objective function is optimized by the BFGS quasi-Newton method, and the calculated value of the oxygen content of flue gas are input into the actual system for thermal efficiency verification experiments. The research group collected related operating data before optimization, operating data that only focused on thermal efficiency for optimization,and operating data under the condition of balancing thermal efficiency and NOx emissions for optimization, and averaged various operating data before and after optimization. The comparison results of the 3 sets of data are shown in Table 2.
Table 2.
Comparison of actual running results before and after optimization
According to the data in the Table 2, it can be found that when the system is not optimized, the set value of the oxygen content of flue gas is 6.12%, the steam production is 34.5 t/h, the mass concentration of NOx is 173.30 mg·Nm-3, and the thermal efficiency of the alkali recovery furnace is 68.05%. When NOx emissions are not considered and only thermal efficiency is concerned, the set value of the oxygen content of flue gas is modified to 3.06%. At this time, the steam production is 35.1 t/h, the thermal efficiency is 69.71%, and the NOx mass concentration is 121.52 mg·Nm-3. Comparing with before optimization, all performance indicators have been improved. In the case of balanced consideration of thermal efficiency and NOx amount, the set value of the oxygen content of flue gas is revised to 0.91%. Compared with the non-optimized situation, the steam production and thermal efficiency under this working condition are slightly reduced, and the steam production is 34.2 t/h, the thermal efficiency is 67.55%, but the NOx emission has been greatly reduced, only 64.04 mg·Nm-3.
It can be seen that a proper set value of the oxygen content of flue gas will improve thermal efficiency and reduce NOx emissions at the same time. In engineering practice, the set value of the oxygen content of flue gas is often set by manual experience, so it is impossible to guarantee that the alkali recovery furnace is in a high-efficiency and low-emission operating state. Therefore, it is necessary to establish a mathematical model of thermal efficiency about the oxygen content of flue gas, and discuss the best set value of the oxygen content of flue gas from a theoretical perspective.
3.2 Discussion
3.2.1 Relationship between thermal efficiency and heat loss variables
When the black liquor is burned in the alkali recovery furnace, it cannot be completely burned due to various reasons, and all the heat released by the combustion will not be effectively used to produce steam. In other words, only part of the total heat input of the fuel is absorbed by the working fluid (water or steam). The heat absorbed by the working fluid is called the effective utilization heat, and the remaining heat is called the heat loss of the alkali recovery furnace. The thermal efficiency of alkali recovery is the percentage of effective heat to the total supplied heat. In order to obtain the relationship between thermal efficiency and heat loss variables, it is necessary to establish the heat balance relationship of the alkali recovery furnace under the normal operating conditions of the alkali recovery furnace.
According to the law of conservation of energy, the heat balance equation of the alkali recovery furnace can be written as:
In formula [1], Q1 is the heat brought by the solids of the black liquor (kg/h), Qmi is the heat consumed in the reduction reaction of sodium sulfate (kg/h), +Q is the physical sensible heat of water in black liquor (kg/h), +Q is the heat brought by the combustion-supporting hot air (kg/h), Q4 is the heat taken away from boiler steam production (That is, the alkali recovery furnace effectively uses heat) (kg/h), -Q is the heat taken away by exhaust smoke (kg/h), -Q is the heat that can be released when the combustible gas in the flue gas is completely burned (That is, heat loss of chemical incomplete combustion) (kg/h), +Q is the heat that can be released when the solid carbon particles in the soda ash are completely burned (That is, the heat loss of solid incomplete combustion) (kg/h), +Q is the heat taken away by the melt (kg/h), +Q is the heat consumed by the evaporation of water in the black liquor (kg/h), +Q is the heat taken away by the heat dissipation of the device (kg/h).
In order to more intuitively reflect the relationship between thermal efficiency and heat loss variables, we adopt the inverse balance method to transform the formula [1] into the following formula for calculating the inverse balance of the thermal efficiency of the alkali recovery furnace.
In the formula [2]: Qr = +Q1+Q2+Q3 is the total heat supplied to the alkali recovery furnace. q5~q10 is the heat loss corresponding to Q5~Q10, which is the ratio of the heat loss in the heat balance system of the alkali recovery furnace to the total heat input.
By analyzing the composition of the heat balance system, the calculation formula for each heat can be obtained. The calculation formulas of each heat in Qr are as follows:
In the formulas [3]~ [6]: Gf is the consumption of black liquor (kJ/h), kf is the mass fraction of black liquor solids (%), Qflv is the low calorific value of black liquor solids, (kJ/kg), cf is the specific heat capacity of black liquor solids (kJ/kg·℃), tf is the temperature of black liquor entering the furnace (℃), t0 is the reference temperature (℃), Gmir is the amount of added sodium sulfate (kJ/h), kmir is sodium sulfate purity (%), βrdct is sodium sulfate reduction rate (%), cwt is the specific heat capacity of water (kJ/kg·℃), α is excess air coefficient, is the theoretical air volume required to burn Gair black liquor (kJ/h), cair is the specific heat capacity of air (kJ/kg·℃), tair is the air temperature before preheating (℃).
Exhaust heat loss q5 is one of the main heat losses of alkali recovery furnace. It is caused by a large amount of high temperature flue gas taken away by the induced draft fan, and its size is mainly determined by the flue gas temperature and the amount of flue gas. The calculation formula of exhaust heat loss is as follows:
In the formula [7]: Vgout is the total smoke exhaust (m3/h), which is related to the excess air coefficient α, and α is related to the oxygen content of flue gas (), ρgout is the density of the flue gas (kg/m3), cp.gout is the average constant pressure specific heat capacity of the flue gas (kJ/kg·℃), tgout is the exhaust temperature (℃).
Chemical incomplete combustion heat loss could be called gas incomplete combustion heat loss. It is the unburned gas in the alkali recovery furnace, such as CO and H2S. The formula for calculating the heat loss of chemical incomplete combustion is as follows:
In the formula [8]: is the volume fraction of CO in the flue gas (%).
The solid incomplete combustion heat loss q7 is the heat lost by the incomplete combustion of the organic matter in the black liquor, which generally exists in the soda ash. The calculation formula for the heat loss of solid incomplete combustion is as follows:
In the formula [9]: Gdach is the amount of soda ash (kg/h), is the carbon content of soda ash. It is the mass fraction of carbon in soda ash (%). The physical heat loss of the melt is q8. It is mainly related to the amount of melt and the temperature at which the melt flows out. When the supply of black liquor remains unchanged, q8 will basically not change. The evaporation heat loss of water in black liquor is q9. It is mainly related to the amount of black liquor, the concentration of black liquor and the exhaust temperature. When the supply of black liquor is stable and the flue gas temperature change is small, the change of q9 is not large. The heat loss of the heat dissipation of the device is q10. It is mainly related to the surface area of the alkali recovery furnace and the average temperature of the outer surface of the alkali recovery furnace. In the case of little change in the operation of the alkali recovery furnace, q10 will basically not change. Due to space limitations, the calculation formulas for q8 ~q10 are not listed here.
In summary, substituting the relevant calculation formula into the formula [2], the relationship between thermal efficiency and heat loss variable can be obtained. Finally, we established the relationship between the thermal efficiency of the alkali recovery furnace and the oxygen content of flue gas, CO content, exhaust gas temperature, soda ash carbon content through correlation conversion. The relationship can be expressed as:
3.2.2 Thermal efficiency model with respect to the oxygen content of flue gas
Through analysis of heat loss variables, it can be known that when the flue gas contains more oxygen, the combustible gas is more easily oxidized and the organic matter burns more fully, so the carbon content of the soda ash and CO content more lower. At the same time, the greater the oxygen content of flue gas, the greater the amount of air supplied, and the flue gas flow rate in the furnace and flue will increase accordingly. The increase of the flue gas flow rate will inevitably cause the flue gas to fail to exchange heat sufficiently, which will increase the exhaust gas temperature. It can be seen from the above analysis that the carbon content of soda ash, exhaust temperature, CO content are all closely related to the oxygen content of flue gas. According to the experimental data in Table 1, we can calculate the corresponding mathematical expressions to establish a model of thermal efficiency of alkali recovery furnace about the oxygen content of flue gas.
The curve fitting diagram between the CO content and the oxygen content of flue gas is shown in Fig. 6. The curve fitting diagram between exhaust gas temperature and the oxygen content of flue gas is shown in Fig. 7.
Formula [11] is the specific relationship between the CO content and the oxygen content of flue gas by curve fitting. Formula [12] is the specific relationship between the exhaust gas temperature and the oxygen content of flue gas obtained by curve fitting.
Due to the complex determination of the composition of soda ash, the factory did not measure the carbon content of the soda ash. However, according to practical experience, the change of the carbon content of the soda ash with the oxygen content of flue gas is small, so this paper ignores the change of the carbon content of the alkali ash,and combines with relevant experience to determine the carbon content of the soda ash. Generally speaking, the carbon content of the soda ash is between 5% and 15%. In this paper, the carbon content of the soda ash is taken as 12% based on the actual working conditions of the factory, and combine formula [10], formula [11] and formula [12]. We obtained a model of the thermal efficiency of the alkali recovery furnace with respect to the oxygen content of flue gas. Finally, we get the specific analytical expression of thermal efficiency about the oxygen content of flue gas by substituting relevant data. However, due to the complexity of writing the analytical expression, it is not convenient to express it directly here, so the following functional relationship is used to express it briefly.
The relationship between thermal efficiency and the oxygen content of flue gas is drawn in MATLAB as shown in Fig. 8. In this figure, it can be seen that as the oxygen content of flue gas increases, the thermal efficiency of the alkali recovery furnace shows a trend of first increasing and then decreasing. In order to analyze the reasons for this trend from the perspective of the proportion of heat loss, we draw the relationship between the proportion of heat loss and the oxygen content of flue gas as shown in Fig. 9. It can be seen from the figure that the gas incomplete combustion heat loss q6 decreases with the increase of the oxygen content of flue gas, and the downward trend is fast firstly,then turn to slow. The exhaust heat loss q5 increases with the increase of the oxygen content of flue gas, and the upward trend is relatively gentle, while other heat losses basically do not change with the oxygen content of flue gas. Therefore, when the oxygen content of flue gas is greater than 3%, the overall heat loss tends to increase, resulting in the thermal efficiency decreases.
3.2.3 Thermal efficiency compound model based on the oxygen content of flue gas
NOx is one of the main pollutants in the atmosphere, and its emission must comply with national regulations. Therefore, while improving thermal efficiency, NOx emissions should also be limited. The unit of NOx concentration measured in Table 1 is ppm, which is the volume concentration. However, the emission standards of environmental pollutants all adopt mass concentration and need to be converted into the baseline oxygen content emission concentration. (The baseline oxygen content is 9%, and the flue gas is on a dry basis). Therefore, the data needs to be standardized for concentration. The standardized NOx concentration data is shown in Table 3.
Table 3.
NOx concentration after normalization
As it shows in Table 3, we can know by analyzing that as the oxygen content of flue gas increases, the concentration of NOx also increases. Curve fitting to the data in Table 3 through Matlab can reflect the specific relationship between them. The curve fitting diagram between NOx concentration and flue gas oxygen content is shown in Fig. 10. Formula [14] is the specific relationship between NOx mass concentration and the flue gas oxygen content by curve fitting.
As for alkali recovery furnaces, it is difficult to simultaneously meet the dual-objective optimization requirements of maximum thermal efficiency and minimum NOx emissions. Therefore, this paper uses a weighted method to transform the multi-objective optimization problem into a single-objective optimization problem. Because the order of magnitudes of alkali recovery heat efficiency and NOx emissions are different, we need to normalize both of them. Since the thermal efficiency of the alkali recovery furnace is originally between 0% and 100%, there is no need to normalize it.
The normalization operation of NOx emissions is shown in formula [15].
In the formula [15], g(NOX)is the normalized result of NOX emissions, is the normalized upper limit. According to relevant regulations, the upper limit of normalization is 200 mg/m3.
Therefore, the composite optimization objective function considering NOX emissions is shown in formula [16].
In the formula [16], η is the composite optimization objective function of the thermal efficiency of the alkali recovery furnace on the oxygen content of flue gas and the emission of nitrogen oxides. The coefficients a and b are the weighting factors of the thermal efficiency of the alkali recovery furnace and the NOX emissions respectively, and a+b=1, a∈[0, 1], b∈[0, 1].
3.2.4 Optimization experiment of compound model
We use the BFGS quasi-Newton method to optimize the composite thermal efficiency objective function, and take the initial value of the flue gas oxygen content to be zero. Because the BFGS quasi-Newton method is a minimum value algorithm, and the composite thermal efficiency objective function is to obtain the maximum value, so the objective function needs to be inverted before optimization. Finally, we substitute the optimization result into the thermal efficiency calculation formula and the NOX emission formula, and then the predicted thermal efficiency and the predicted NOX emission concentration corresponding to the optimization result can be obtained. According to the different emphasis on the thermal efficiency and NOX emission concentration of the alkali recovery furnace, we optimize the objective function in two situations.
1) Only focus on thermal efficiency for optimization
When the restriction on NOX emissions is nonexistent, and only attention is paid to improving the thermal efficiency of the alkali recovery furnace, the coefficient a:b=1:0.At this time, the optimization iteration curve is shown in Fig. 11.
It can be seen from Fig. 11 that iterative calculations converge to the minimum value after 10 iterations when taking a:b=1:0 and using the BFGS quasi-Newton method to optimize the objective function. At this time, the oxygen content of the flue gas corresponding to the minimum value of the objective function is 3.06%, the predicted thermal efficiency of the alkali recovery furnace is 68.78%, and the predicted NOX emission concentration is 111.74 mg·Nm-3.
2) Comprehensive consideration of thermal efficiency and NOX emissions for optimization
The thermal efficiency and NOX emissions need to be considered evenly at the same time. Let the coefficient a:b=0.5:0.5. At this time, the optimization iteration curve is shown in Fig. 12.
It can be seen from Fig. 12 that iterative calculations converge to the minimum value after 11 iterations when taking a:b=0.5:0.5 and using the BFGS quasi-Newton method to optimize the objective function. At this time, the oxygen content of the flue gas corresponding to the minimum value of the objective function is 0.95%, the predicted thermal efficiency of the alkali recovery furnace is 67.55%, and the predicted NOX emission concentration is 65.14 mg·Nm-3.
It can be seen that the predicted optimization results are roughly in line with the experimental results, which indicates that the optimization model we have established conforms to the actual situation. In actual engineering, an optimal value of the flue gas oxygen content will be obtained when only focusing on the thermal efficiency of the alkali recovery furnace for optimization, and the alkali recovery furnace will get the highest thermal efficiency by operating at this flue gas oxygen content. At the same time, we will get a NOX emission corresponding to the highest thermal efficiency. On this basis, continuing to reduce the NOX emission concentration is at the expense of a certain thermal efficiency.
4. Conclusions
Firstly, based on the calculation formula of the inverse balance of thermal efficiency and the calculation formula of thermodynamic heat, this paper establishes the thermal efficiency model of the alkali recovery furnace about the flue gas oxygen content, exhaust gas temperature, soda ash carbon content and incomplete combustion gas. Then we carried out the combustion adjustment test of the alkali recovery furnace, and based on the data obtained from the experiment, the relationship between each heat loss variable and the oxygen content of flue gas was obtained through data fitting. Next, by substituting the relevant operating data of the alkali recovery furnace, a thermal efficiency model only about the oxygen content of flue gas was obtained. Subsequently, on the basis of the original model, a penalty term for NOX emissions was added, and the multi-objective optimal problem was converted into a single-objective optimal problem by weighting. In addition, the thermal efficiency model was optimized by the BFGS quasi-Newton method. Finally, experiments are carried out in the combustion section of the alkali recovery furnace to verify the model and optimization method built in this paper.
The actual operation results show that: 1) Optimizing without limiting NOX emissions can maximize the thermal efficiency of the alkali recovery furnace. After restricting NOX emissions, the maximum thermal efficiency will be reduced, but NOX emissions will also be reduced. 2) On the basis of simply optimizing thermal efficiency, continuing to reduce NOX emissions will be at the expense of lessening the thermal efficiency. 3) When the optimization results obtained by the model are applied to the actual industrial site of a pulping mill, it is found that the thermal efficiency of the alkali recovery furnace has been improved, and the NOX emissions have also been reduced. Therefore, the model built in this paper and its optimization method have certain guiding significance for optimizing the thermal efficiency of the alkali recovery furnace and controlling the NOX emission. In the actual operation of the alkali recovery furnace, the weighting factor could be adjusted according to the actual demand to obtain the best result.














